Intel? Celeron? Processor J1900 (2M
Cache, up to 2.42 GHz) Q4'13
Launch Date Q4'13
Processor Number J1900
# of Cores 4
# of Threads 4
Clock Speed 2 GHz
Burst Frequency 2.41 GHz
L2 Cache 2 MB
Instruction Set 64-bit
Embedded Options Available Yes
Lithography 22 nm
Max TDP 10 W
Intel? Celeron? Processor N2805 1M
Cache, 1.46 GHz
Performance
# of Cores 2
# of Threads 2
Processor Base Frequency 1.46 GHz
Cache 1 MB
TDP 4.3 W
Scenario Design Power (SDP) 2.5 W
Intel? Celeron? Processor N2806 1M
Cache, up to 2.00 GHz
Performance
# of Cores 2
# of Threads 2
Processor Base Frequency 1.60 GHz
Burst Frequency 2.00 GHz
Cache 1 MB
TDP 4.5 W
Scenario Design Power (SDP) 2.5 W
Intel? Celeron? Processor N2807 1M
Cache, up to 2.16 GHz
Performance
# of Cores 2
# of Threads 2
Processor Base Frequency 1.58 GHz
Burst Frequency 2.16 GHz
Cache 1 MB
TDP 4.3 W
Scenario Design Power (SDP) 2.5 W
Intel Atom? x5-Z8350 Processor 2M Cache,
up to 1.92 GHz
Performance
# of Cores 4
# of Threads 4
Processor Base Frequency 1.44 GHz
Burst Frequency 1.92 GHz
Cache 2 MB
Scenario Design Power (SDP) 2 W
Bay Trail /J1800/J1900
J1800QF,NTX19QF
Integrated Intel®J1800/2.00GHz Quad core processor,TDP10W
Based on Intel® Bay trail SOC platform
1*DDR3 SODIMM,Support 1600/1333MHz DDR3L/1.35V Memory,up to 8GB


Quad core High Performance
With Baytrail-D/I/M serial Processor;
J1900\J1800\N2806\N2900
DDR3 SODIMM 204 Socket ram socket max support 8G
1*RS-232
Support dual channel 24bits LVDS output or EDP output (optional)。
Single input DC power supply,DC12V;
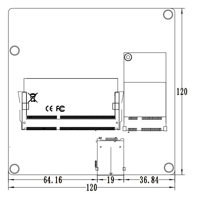
Size: 120 x 120 mm;
Specification
Processor
CPU Support Baytrail-I/D/M serial CPU (J1900 N2900 J1800 N2806 E3845)
CPU package BGA
chipset Support Baytrail-I/D/M serial CPU
BIOS EFI BIOS
Memory Technology Architecture
Single channel DDR3L 1066/1333MHz
Socket DDR3l SODIMM 204 Socket
Video Graphics controller
Intel HD Graphics
Dual LVDS and EDP LVDS dual channel 24bits output,,max resolution:1920
x 1200 EDP max support resolution:2560*1600(LVDS or EDPdisplay for optional)
HDI VGA support max resolution:2048x1536
Dual display HDI support max resolution: 1920x1080
I/O back panel
Port LVDS + VGA,LVDS+HDI,HDI+VGA Synchronous or asynchronous display
Internet controller
2*Intel I211 Gigabit Lan Port,RJ45 Port
Audio controller
Raychem HD ALC662 audio decoding (left and right channel + microphone)
Super I/O controller ITE8613
hardware controller
Watchdog timer 0-255 seconds,Provide a watchdog routine
Cooler Aluminum heatsink with Fan(Fanless)
output/input Display
USB 3*USB2.0,1*USB3.0 Max support +5V/1A
Com 1*RS-232
GPIO 8bit, providing routines, freely defined input/output, 3.3V@24mA
level
Expansion Wire Mini-PCle 1*Mini-PCIe socket,support PCIe and USB equipment
storage SATA 1*standard SATAII Port, Maximum transfer rate 3Gb/s
M-SATA 1* M-SATA Scoket,support SANDISK protocol, Maximum transfer rate
3Gb/s
EMMC 32/64/128G(optional)
Power Supply Power Type Single input DC power supply ,DC12V5A/7A
Power consumption 20W
Work environment Working temperature -20°C~60°C (-32°F~140°F)
Storage temperature -40°C~85°C (-104°F~185°F )
Working humidity 10%~90% (non-condensing)
Storage humidity 10%~90% (non-condensing)
Measure Size 120mm x 120 mm
Ordering Information
Model description CPU optional
NTX19QF:J1900,2.00G,1*SODDR3L,1*VGA,1*HDI,1*LVDS,1/2*LAN,2*USB2.0,1*USB3.0,
2*COM,12VDC
Packing Details
Retail Pacakge: 1 Carton contain 16pcs.
Retail Box Size:20*20*7cm Carton Size:56*42*17cm